|
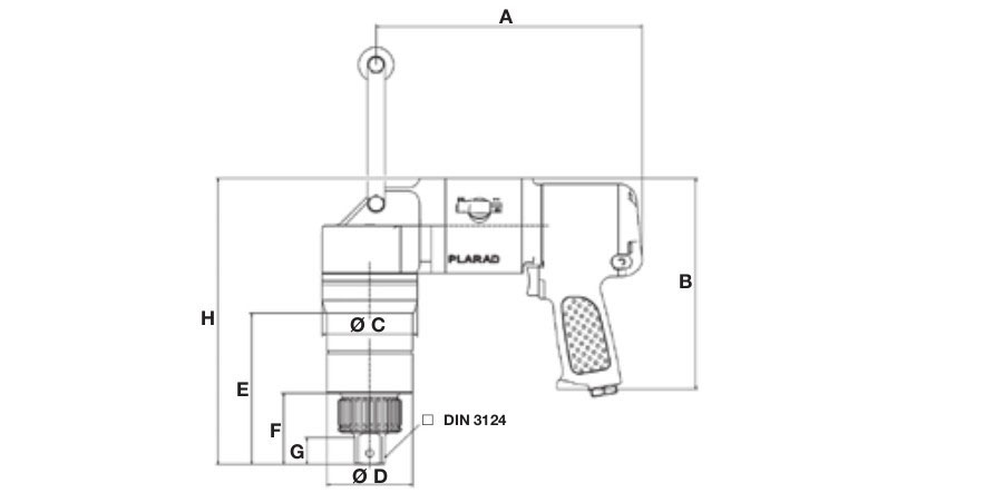
规格(mm)
TLX:铝合金外壳 TSX:钢制合金外壳 |
|
型号 |
A |
B |
C |
D |
E |
F |
G |
方驱 |
|
DPA 08 TLX/TSX |
346 |
190 |
82 |
74 |
125 |
57 |
24 |
3/4" |
|
DPA 12 TLX/TSX |
351 |
190 |
82 |
74 |
130 |
62 |
27 |
1" |
|
DPA 17 TLX/TSX |
358 |
190 |
82 |
93 |
140 |
61 |
27 |
1" |
|
DPA 28 TLX/TSX |
406 |
190 |
82 |
98 |
150 |
73 |
27 |
1" |
|
DPA 47 TLX/TSX |
441 |
190 |
82 |
99 |
162 |
86 |
40 |
1 1/2" |
|
DPA 65 TLX/TSX |
473 |
190 |
82 |
120 |
218 |
98 |
42 |
1 1/2" |
|
型号 |
A |
B |
C |
D |
E |
F |
G |
方驱 |
|
DPM 08 TLX/TSX |
312 |
190 |
82 |
74 |
125 |
57 |
24 |
3/4" |
|
DPM 12 TLX/TSX |
317 |
190 |
82 |
74 |
130 |
62 |
27 |
1" |
|
DPM 17 TLX/TSX |
324 |
190 |
82 |
93 |
140 |
61 |
27 |
1" |
|
DPM 28 TLX/TSX |
372 |
190 |
82 |
98 |
150 |
70 |
27 |
1" |
|
DPM 47 TLX/TSX |
407 |
190 |
82 |
99 |
162 |
84 |
40 |
1 1/2" |
|
DPM 65 TLX/TSX |
439 |
190 |
82 |
120 |
218 |
98 |
42 |
1 1/2" |
|
DPM 120 M |
490 |
DPM
120 M参数详解样本 |
|
|
|
|
1 1/2" |
|
 |
|
型号 |
A |
B |
C |
D |
E |
F |
G |
H |
方驱 |
|
DPAW 08 TLX/TSX |
265 |
190 |
82 |
74 |
125 |
57 |
24 |
243 |
3/4" |
|
DPAW 12 TLX/TSX |
265 |
190 |
82 |
74 |
130 |
62 |
27 |
247 |
1" |
|
DPAW 17 TLX/TSX |
265 |
190 |
82 |
93 |
140 |
61 |
27 |
256 |
1" |
|
DPAW 28 TLX/TSX |
265 |
190 |
82 |
98 |
150 |
70 |
27 |
303 |
1" |
|
DPAW 47 TLX/TSX |
265 |
190 |
82 |
99 |
162 |
84 |
40 |
327 |
1 1/2" |
|
DPAW 65 TLX/TSX |
265 |
190 |
82 |
120 |
218 |
98 |
42 |
356 |
1 1/2" |
|
| |
|
型号 |
A |
B |
C |
D |
E |
F |
G |
H |
方驱 |
|
DPMW 08 TLX/TSX |
235 |
190 |
82 |
74 |
125 |
57 |
24 |
243 |
3/4" |
|
DPMW 12 TLX/TSX |
235 |
190 |
82 |
74 |
130 |
62 |
27 |
247 |
1" |
|
DPMW 17 TLX/TSX |
235 |
190 |
82 |
93 |
140 |
61 |
27 |
256 |
1" |
|
DPMW 28 TLX/TSX |
235 |
190 |
82 |
98 |
150 |
73 |
27 |
303 |
1" |
|
DPMW 47 TLX/TSX |
235 |
190 |
82 |
99 |
162 |
86 |
40 |
327 |
1 1/2" |
|
DPMW 65 TLX/TSX |
235 |
190 |
82 |
120 |
218 |
98 |
42 |
356 |
1 1/2" |
|
DPMW 120 TSX |
235 |
188 |
82 |
170 |
319 |
113 |
40 |
395 |
1 1/2" |
|
DPMW 120 TSX参数详解样本 |
|
| |
|
DE/DP反作用力臂的焊接环 |
|
型号 |
A |
B |
重量 |
编号 |
 |
|
DE/DP 08 TLX/TSX |
78 |
25 |
0,50kg |
F17-010-3-12401 |
|
DE/DP 12 TLX/TSX |
78 |
25 |
0,50kg |
F17-010-3-12401 |
|
DE/DP 17 TLX/TSX |
78 |
25 |
0,50kg |
F17-010-3-12401 |
|
DE/DP 28 TLX/TSX |
98 |
33 |
1,10kg |
F17-045-3-20101 |
|
DE/DP 47 TLX/TSX |
98 |
33 |
1,10kg |
F16-045-3-20101 |
|
DE/DP 65 TLX/TSX |
110 |
50 |
1,70kg |
F08-060-3-01401 |
|
|
|
DPA系列 |
|
型号 |
扭矩范围 |
空载转速 |
负载转速 |
重量TLX/TSX |
|
DPA 08 TLX/TSX |
125-825Nm |
79,0 |
13,0 |
5,8/6,6kg |
|
DPA 12 TLX/TSX |
270-1.220Nm |
41,0 |
7,0 |
5,9/7,7kg |
|
DPA 17 TLX/TSX |
300-1.750Nm |
34,0 |
6,0 |
6,5/7,8kg |
|
DPA 28 TLX/TSX |
600-2.850Nm |
15,0 |
2,5 |
8,6/10,2kg |
|
DPA 47 TLX/TSX |
1.100-4.700Nm |
11,0 |
2,0 |
9,3/11,0kg |
|
DPA 65 TLX/TSX |
1.300-6.500Nm |
8,0 |
1,4 |
13,3/15,1kg |
|
|
|
DPM系列 |
|
型号 |
扭矩范围 |
一档转速 |
二档转速 |
重量TLX/TSX |
|
DPM 08 TLX/TSX |
60-825Nm |
52,0 |
17,0 |
4,4/5,2kg |
|
DPM 12 TLX/TSX |
80-1.200Nm |
27,0 |
9,0 |
5,0/5,8kg |
|
DPM 17 TLX/TSX |
110-1.750Nm |
24,0 |
8,0 |
6,0/7,3kg |
|
DPM 28 TLX/TSX |
150-2.850Nm |
10,0 |
3,2 |
7,7/9,3kg |
|
DPM 47 TLX/TSX |
220-4.700Nm |
8,0 |
2,7 |
8,6/10,4kg |
|
DPM 65 TLX/TSX |
300-6.500Nm |
6,0 |
2,0 |
12,4/14,2kg |
|
DPM 120 M |
1,200-12,000Nm |
0,6 |
1,5 |
32kg |
|
|
|
DPAW系列 |
|
型号 |
扭矩范围 |
空载转速 |
负载转速 |
重量TLX/TSX |
|
DPAW 08 TLX/TSX |
125-825Nm |
70,0 |
8,0 |
7,5/8,3kg |
|
DPAW 12 TLX/TSX |
270-1.220Nm |
36,0 |
5,0 |
7,6/8,4kg |
|
DPAW 17 TLX/TSX |
300-1.750Nm |
30,0 |
4,5 |
8,8/10,0kg |
|
DPAW 28 TLX/TSX |
600-2.850Nm |
11,0 |
2,0 |
10,3/11,9kg |
|
DPAW 47 TLX/TSX |
1.100-4.700Nm |
8,0 |
1,5 |
11,0/12,8kg |
|
DPAW 65 TLX/TSX |
1.300-6.500Nm |
7,0 |
1,0 |
15,0/16,8kg |
|
|
|
DPMW系列 |
|
型号 |
扭矩范围 |
一档转速 |
二档转速 |
重量TLX/TSX |
|
DPMW 08 TLX/TSX |
60-825Nm |
41,0 |
13,0 |
6,6/7,4kg |
|
DPMW 12 TLX/TSX |
80-1.200Nm |
21,0 |
7,0 |
6,7/76kg |
|
DPMW 17 TLX/TSX |
110-1.750Nm |
17,0 |
6,0 |
7,7/9,0kg |
|
DPMW 28 TLX/TSX |
150-2.850Nm |
7,0 |
2,5 |
9,4/11,0kg |
|
DPMW 47 TLX/TSX |
220-4.700Nm |
5,0 |
2,0 |
10,3/12,1kg |
|
DPMW 65 TLX/TSX |
300-6.500Nm |
4,0 |
1,5 |
14,1/15,9kg |
|
DPWM 120 TSX |
12,000Nm |
|
|
34kg |
| |
|
|